文章

BNC連接器規格簡介
0 評論
/
在下文中,德索五金電子工程師將會詳細為您介紹BNC連接器規格方面的內容,讓各位電子元器件從業者更好的進行BNC連接器的采購工作。BNC連接器規格沒有我們想象中的那么復雜,一篇文章便可讓您記住BNC連接器的規格。
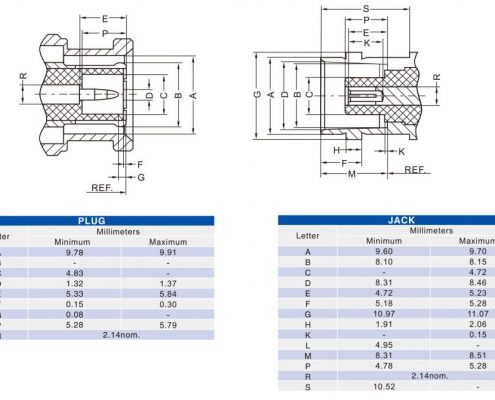
BNC連接器的規格,需要從電器性能、機械性能、環境性能三個方面來闡述,分別如下:
第一、電器性能
阻抗:…
http://www.peauciel.com.cn/wp-content/uploads/2018/01/1517296402-8187-bnc-jietou-gongmu.png
479
452
dosin
http://www.peauciel.com.cn/wp-content/uploads/2017/12/bncjietou-logo.png
dosin2018-01-30 15:56:032018-01-30 15:56:03談談BNC接頭是什么